报告查询
首页
信息公开
公司简介
执照资质
安评项目公示
安全评价师基本情况
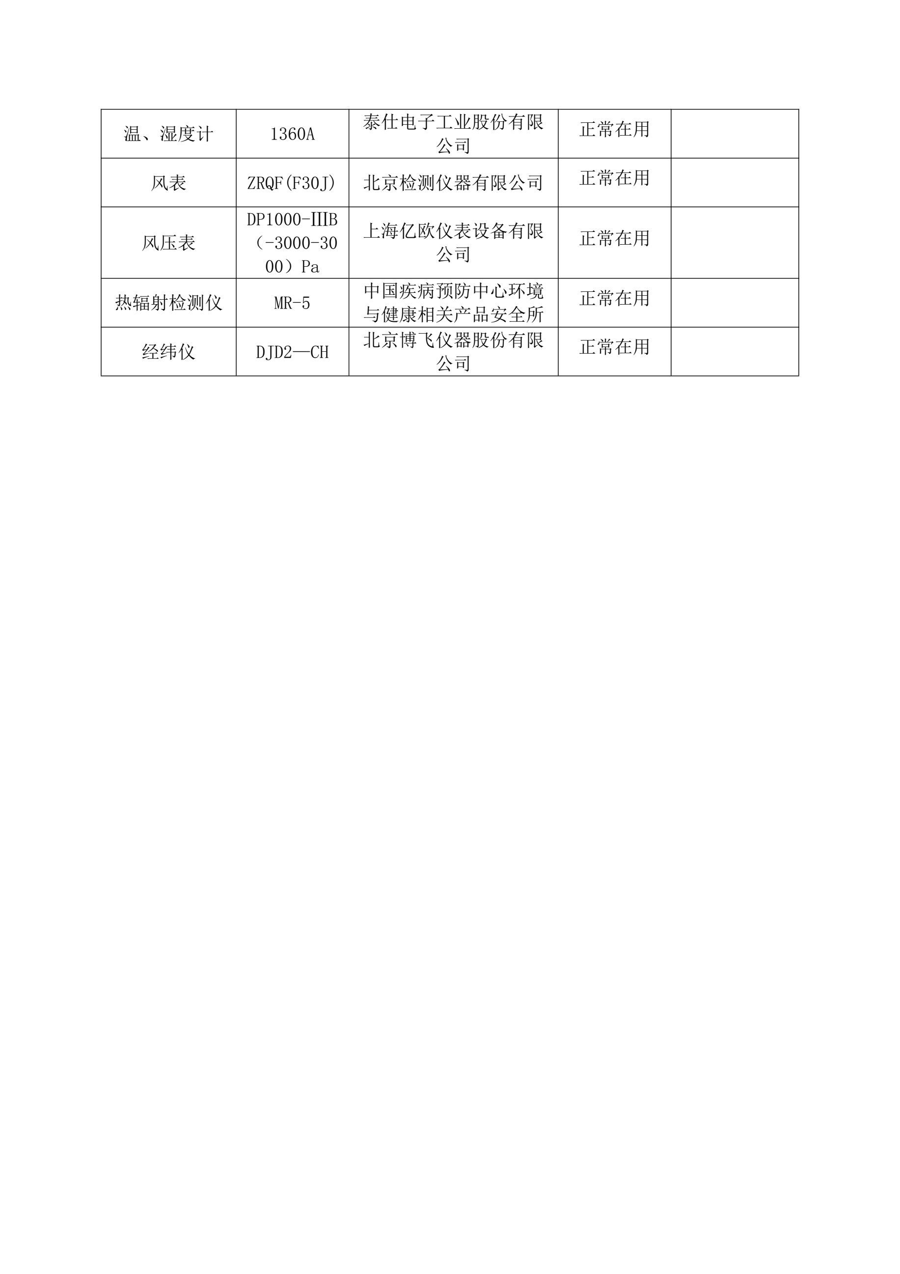
通用和专用设备
评价机构基本信息
安全评价收费标准
服务范围
职业卫生
安全评价
放射卫生
环境监测
工程治理
最新动态
新闻中心
职评项目公示
定期检测项目公示
职位招聘
教育培训
资料中心
法律法规
标准规范
MSDS查询
CAS查询
常用表格
模板下载
客户中心
报告查询
业务合作
业务咨询
投诉建议
公正性声明
关于我们
公司简介
执照资质
安评项目公示
安全评价师基本情况
通用和专用设备
评价机构基本信息
安全评价收费标准
010-84827617
关注微信
关注微博
通用和专用设备
您当前位置:
首页
>
信息公开
>
通用和专用设备
北京中职安康科技有限公司专用设备清单
2025-10-30